KraftWell KRWPR10F Пресс 10 т. с ножным приводом купить в СПб цена ✅ - Все для СТО

Время работы:

ПН-ПТ 10:00 - 18:00

Суббота, 
Воскресенье - Выходной

8 (800) 550-41-17

8 (812) 962-41-17

info@vsedlyasto.ru

Заказать звонок
Каталог товаров

KraftWell KRWPR10F Пресс 10 т. с ножным приводом

Артикул: MKKRWPR10F
(4)
Пресс гидравлический напольный 10 т., с ножным приводом
Подарок к покупке
Гарантия лучшей цены Нашли дешевле сделаем скидку !
Гарантия лучшей цены Нашли дешевле сделаем скидку !
28 410 руб. за 1
В наличии много
- +
Нашли дешевле?
Основные характеристики
Производитель
В любом автосервисе, автомастерской или даже гараже постоянно требуется проведение операции по выпрессовке/запрессовке таких деталей, как ступичный подшипник или сайлентблоки рычагов. Ранее проведение данной операции вручную требовало значительных трудовых и временных затрат. С появлением гидравлических прессов этот трудоемкий процесс значительно упростился и стал безопаснее, а широкая линейка прессов с различным максимальным усилием позволяет подобрать наиболее подходящий для выполнения тех или иных задачи.
Принцип работы гидравлического пресса заключается в создании давления гидравлического масла в рабочем цилиндре при помощи насоса. Создаваемое насосом давление перемещает шток цилиндра в вертикальной плоскости, который в свою очередь давит на деталь, расположенную между штоком и рабочим столом. Усилие, с которым давит шток контролируется по манометру, установленному на гидроцилиндре.
Несмотря на общий принцип работы, гидравлические прессы имеют три основных различия:

    Максимально развиваемое     усилие
    Тип корпуса      настольный, напольный
    Привод насоса      ручной, ножной, пневмогидравлический,     электрогидравлический

Гидравлические прессы KRAFTWELL, в отличие от более дешевых аналогов, изготавливаются на современном и высокоточном оборудовании одного из ведущих заводов в Китае и исключительно из высококачественных материалов в соответствии с европейскими нормами безопасности и стандартами качества, что гарантирует длительный период эксплуатации и безопасность при работе. Качество подтверждено сертификатами EAC и CE.
Пресс KRWPR10F с ручным и ножным приводом обладает следующими особенностями:

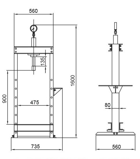
    Максимальное развиваемое усилие  10 тонн
    Гидравлический насос с ручным и ножным приводом
    Встроенный в насос предохранительный клапан для защиты от перегрузок
    Быстросборный корпус рамы напольного типа
    Устойчивое основание с отверстиями для крепления анкерами к полу
    Регулируемый по высоте рабочий стол
    Перемещение цилиндра в горизонтальной плоскости
    Автоматическая регулировка скорости перемещения штока (без нагрузки быстрее, под нагрузкой медленнее)
    Манометр, заполненный глицерином
    Эргономичная рукоятка сброса давления
    V-образные блоки с ограничителями перемещения
    Индикатор крайнего положения штока
    Хромированная поверхность штока
    Автоматический возврат штока после сброса давления
    Поставляется в одной фанерной коробке
Усилие, тн:
10
Привод:
Ручной, Ножной, Ручной и ножной, Гидравлический
Производитель

Рассчитать стоимость доставки

Условия доставки:

Санкт-Петербург:
  • От 700 руб (Высота, ширина товара до 0,8 м., длина до 2м. И вес товара не более 100 кг.)
  • От 1800 руб ( Длина товара не превышает 3,5 метров и вес не более 1000 кг)
  • Лен область: +35 руб. км от КАД.
  • Товар размерами свыше 3,5 метров и более 1000 кг. уточняйте у менеджера.
  • Самовывоз товара осуществляется по предварительному согласованию со складов компании.
Москва и Московская область.
  • От 2500 руб ( Длина товара не превышает 3,5 метров и вес не более 1000 кг.)
  • Товар размерами свыше 3,5 метров и более 1000 кг. Уточняйте у менеджеров.
  • Самовывоз товара осуществляется по предварительному согласованию со складов компании.
По городам РФ:
  • Производится транспортными компаниями на ваш выбор, согласно тарифам ТК.
  • Доставка до терминала ТК уточняйте у менеджера.
  • Вы можете рассчитать ориентировочную стоимость доставки до вашего города в окне расчёта доставке или на сайте ТК.

В блоке справа Вы можете ввести необходимые данные и узнать стоимость и сроки доставки.

Похожие товары
Артикул: ZX0901С-1
18 530 руб. за 1
В наличии много
- +
Артикул: MKK100E
Пресс напольный электрогидравлический. Усилие 100 тонн.
629 100 руб. за 1
В наличии много
- +
Артикул: ES-0530A
47 950 руб. за 1
В наличии много
- +
Артикул: SISD0808CE
Пресс напольный гидравлический. Ручной привод. Усилие 30 тонн.
92 670 руб. за 1
В наличии много
- +

Напишите нам!